上一个产品 下一个产品 返回列表

DFWK-12电缆分支箱

概述

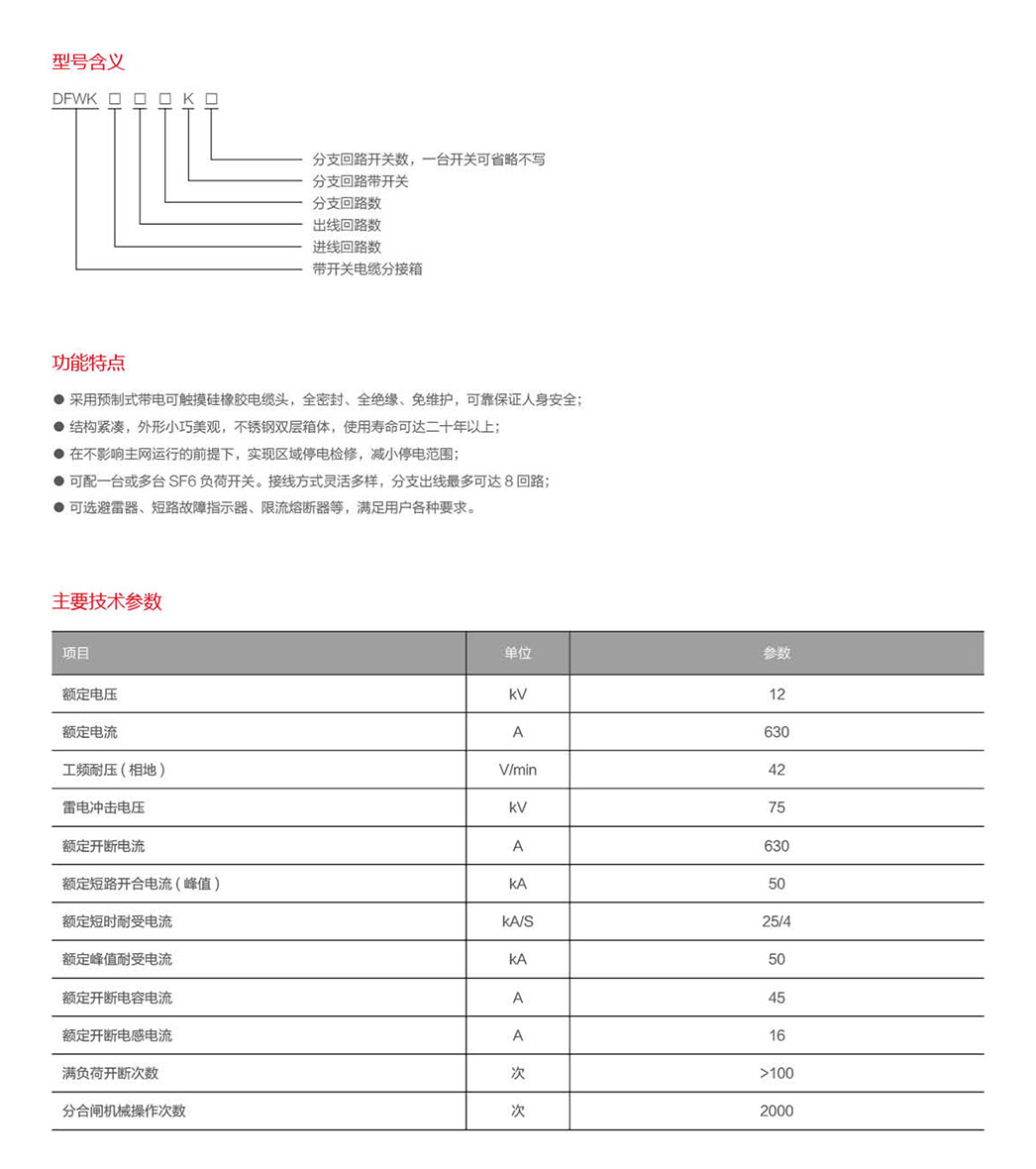
采用预制式带电可触摸硅橡胶电缆头,全密封,全绝缘,免维护,可靠保证人身安全;结构紧凑,外形小巧美观,不锈钢双层箱体,使用寿命可达二十年以上;在不影响主网运行的前提下。实现区域停电检修,减小停电范围;可配一台或多台SF6负荷开关。接线方式灵活多样,分支出线最多可达八回路;可选避雷器、短路故障指示器,限流熔断器等,满足用户各种要求。

1.jpg


15252177555 13347936888 魏经理
联系我们