首 页
关于申捷
产品中心
新闻资讯
成功案例
荣誉资质
服务支持
联系我们
首 页
关于华能盛
产品中心
新闻资讯
服务支持
联系我们
上一个产品
下一个产品
返回列表
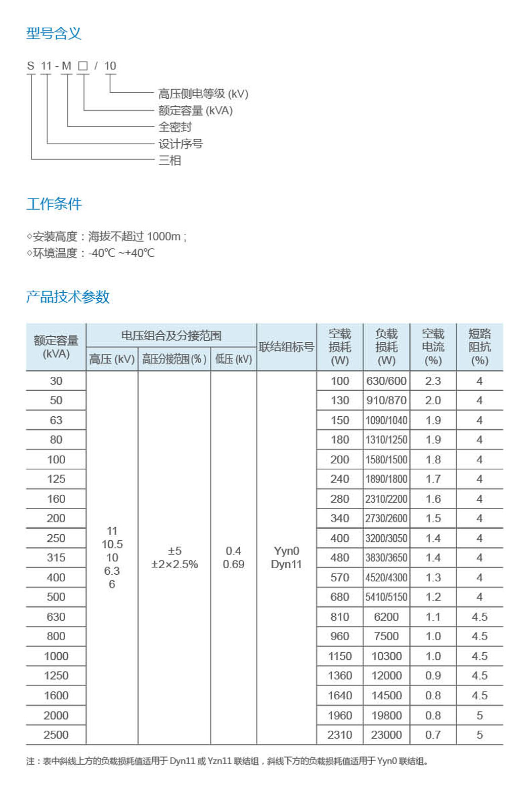
S11型6~10kV油浸式配电变压器系列
产品概述
S11-M-30~2000/10型全密封油浸式变压器适用于交流50Hz、额定工作电压10kV及以下的电力系统中,作为石油、冶金、化工、纺织、轻工等企业及粉尘较大场所的配电变压器。
15252177555 13347936888 魏经理
联系我们